32载专注密封圈研发生产厂家 CCTV.央视访谈企业一航天级研发基地
18925433252 18925433252
聚焦东晟 · 资讯分享

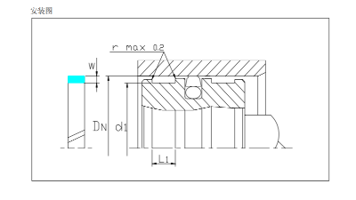
旋转四氟PTFE油封

头条
一般油封耐不耐高温取决于它的材质,四氟PTFE油封耐高温效果就比较好,耐高温可达260℃,旋转PTFE油封一般指的是他所密封的轴是旋转的比如油泵、马达等轴封。
各类橡胶制品密封圈的3种硫化方法特点!东晟百科

各类橡胶制品密封圈的3种硫化方法特点!东晟百科

橡胶密封件制品多种多样,硫化(硫化橡胶制品密封圈)方法也很多,可按使用设备的种类、加热介质的种类、硫化(硫化橡胶制品密封圈)工
用10种工作介质环境及6种材质告诉你正确选择油封!东晟百科

用10种工作介质环境及6种材质告诉你正确选择油封!东晟百科

先来了解一下什么是油封?油封是用来封油(油是传动系统中常见的液体物质,也泛指一般的液体物质之意)的机械元件,东晟
外国对油封的允许泄漏量标准号!东晟百科

外国对油封的允许泄漏量标准号!东晟百科

先来了解一下什么是油封?油封是用来封油(油是传动系统中常见的液体物质,也泛指一般的液体物质之意)的机械元件,东晟
V 型 密封圈的密封环 的 18 种 泄漏 原因 分析及解决方案!东晟百科

V 型 密封圈的密封环 的 18 种 泄漏 原因 分析及解决方案!东晟百科

V型密封圈的密封环的泄漏的原因分析及防治措施见表1-1。东晟密封件告诉您V型密封圈的密封环的18种泄漏原因分析及解决
压缩机密封件24种泄漏原因分析及24种防泄漏解决方案!东晟百科

压缩机密封件24种泄漏原因分析及24种防泄漏解决方案!东晟百科

压缩机(compressor),将低压气体提升为高压气体的一种从动的流体机械,是制冷系统的心脏。东晟密封告诉您压缩机密封件

咨询热线

18925433252