32
载专注密封圈研发生产厂家
CCTV.
央视访谈企业一航天级研发基地
18925433252
18925433252
东晟首页
橡胶密封圈
泛塞封
密封圈
导向环
密封行业解决方案
新闻资讯
关于东晟
联系东晟
视频橱窗
热门关键词:
大型矿卡散热器密封圈
高线轧机密封圈
Y形密封圈
氟塑料制品
Y型密封圈
隔膜泵膜片
气动隔膜泵膜片
计量泵膜片
膜片
气动泵膜片
您的位置:
首页
>
全站搜索
搜索结果
Y 型密封圈和
yx形密封圈
的区别
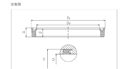
Y型密封圈属于往复运动,采用橡胶密封的一种,断面为Y形,简称“Y形密封”。一般用于液压或气压传递的操作系统,在活塞、活塞杆、缸体部位起密封作用。Y型密封圈可由高硬度丁腈橡胶模压制成,或用聚氨酯橡胶浇注成型,也可做成夹布组合型。产品结构简单、密封效果好,在压力增加时有自封作用,但在高压下纯橡胶制品。
轴用
yx形密封圈
轴用
yx形密封圈
适用于以空气、矿物油为介质的各种机械设备中,在温度-20~+80℃、工作压力≤31.5MPa条件下起密封作用的轴用YX形气密封圈。轴用
yx形密封圈
是依靠其张开的唇部紧贴于密封轴表面而保持密封的,通常也可单独使用,其密封性能较好,摩擦阻力较小,耐压性能好,工作稳定性好,使用寿命长。
齿轮油封密封圈有那些归类
东晟密封件告诉您齿轮油封密封圈有那些归类:V形密封圈,U形密封圈,Y形密封圈,
yx形密封圈
,齿轮油封密封圈:唇形密封件,与密封式卡紧形液压机密封件一样,依其自身的形变对密封表面造成较高的原始接触压力,阻拦无工作压力液态的泄露。液压缸工作中时,工作压力液态挤压成型并顶开其密封嘴唇,使之紧靠密封表面而造成较高的随工作压力液态的工作压力提高而提高的额外接触压力,并与原始接触压力一起一同阻拦工作压力液态的泄露。
QQ咨询
400电话
18925433252
在线留言
微信扫一扫
返回顶部